AS064 Fuchsjagdempfänger “Foxy” Tipps

Tipps zum Aufbau und zur Fehlersuche     Bohrschablone

 

Der Bausatz kann nur zusammen mit der Beschreibung im Praxisheft 10 des AATiS e.V. aufgebaut werden.
 

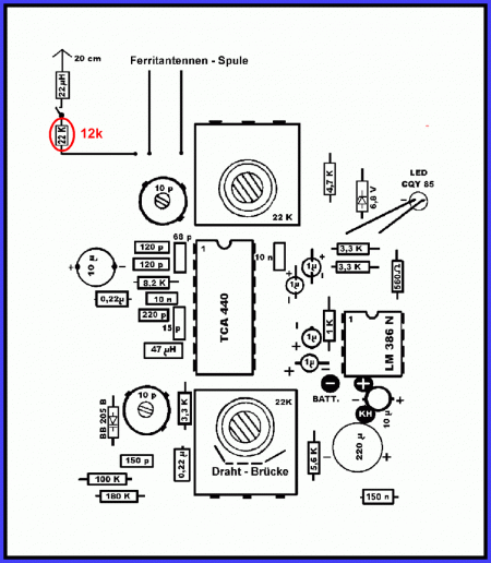
Schaltungsänderung: Statt Widerstand 22k jetzt 12 k, siehe Schaltung und Bestückungsplan am Ende der Seite.

Ferritantenne

  • 20 Windungen (abweichend vomPraxisheft) in der Mitte der Stabes wickeln
  • nur die Windungen am Spulenrand mit Klebeband fixieren, nicht die ganze Spule mit Klebeband überziehen (der Kupferlackdraht isr empfindlich)
  • Die Isolierung des Kupferlackdrahts ist ziemlich hartnäckig. Entweder brennt man den Lack mit frischem Lötzinn von der Drahtspitze her ab ( der Vorgang dauert wenigstens 20 Sekunden mit Rauchentwicklung), oder man entfernt den Lack vor dem Löten mit feinem Sandpapier. Danach werden die Anschlüsse sorgfältig von Rückständen gereinigt und verzinnt.
    Bitte nur 5 mm Lack am Ende netfernen, nachdem die Länge feststeht.
  • Am Antenneneingang auf besonders gute Lötverbindungen achten, sonst gibt es Fehlfunktionen am Empfänger.
  • Bitte kurze Verbindungen im Gehäuse. Die Drähte nicht verdrillen!
  • Häufigste Fehlerursache bisher: Nicht vollständig entfernte Lackisolierung vor dem Löten!

 

Bohrungen im Plastikgehäuse

  • Für die Poti-Löcher keinen Bohrer mit großem Durchmesser verwenden, das Gehäuse splittert sonst!

IC TCA440

  • Bitte sehr vorsichtig in die Fassungs stecken - nicht nachpressen!

Kopfhörer

  • AS064-Foxy ist für Kopfhörer mit 30-60 Ohm konzipiert (typischer offener Billigkopfhörer für Unterhaltungselektronik oder Soundkarte). Hochohmige Kopfhörer, Earclips oder HiFi-Kopfhörer verändern das Lautstärke empfinden bei Mitteltönen - sehr ungünstig zum Peilen!

Brummen durch Resonanzüberhöhung

  • Durch Resonanzüberhöhung kann es zu Brummen bei bestimmten Stellungen des HF-Reglers oder bei Betätigung des Hilfsantennentasters kommen.
    Abhilfe: Mit dem Antennentrimmer die Resonanz knapp unter den Bandanfang bei 3,5 MHz ziehen.
  • Damit ist auch die Signalfestigkeit gegenüber den 75m-Rundfunksendern erheblich verbessert, ohne dass sich die Empfindlichkeit des Empfängers wesentlich verringert hat.
  • Solche Resonanzstörungen lassen sich nur mit einem Ausbaus des FOXY zum Einfachsuper (455 kHz-ZF) umgehen. Dann wäre zusätzlich ein BFO erforderlich, was den Schaltungs- und Abstimmungsaufwand etwas verdoppeln würde.

Abschirmung des Gehäuses

  • Ein Aussprühen des Gehäuses mit leitendem Lack oder Auskleben mit Alufolie verhindert, dass der Partner-Fuchsjäger in 1-2m Entfernung vom RX-Oszillator gestört wird.
  • Vorsicht! Im Bereich der innen liegenden Ferritantenne darf dieses Abschirmung keine Kurzschlusswindung um den Feritstab ergeben!. Ein Schlitz oben längs und an beiden Enden des Stabes soll ausgepart bleiben, auch die Hilfsantenne muss isoliert bleiben.
  • Ein so beschichtetes Gehäuse kann über eine Kontaktferder  oder Schraubbe auch mit Masse verbubden werden. Die Kopfhörerbuchse muss aber massefrei bleiben - sie ist auch der Ein/Ausschalter!

Schaltung

 

Bestückungsplan

Bohrschablone